Que Es Un Ciclon Industrial : China Colector De Polvo Industriales Ciclones Filtro De Cartucho De La Unidad De Recoleccion De Polvo Para El Sistema De Extraccion De Humos Comprar El Ciclon Colector De Polvo En Es Made In China Com : Un ciclón, por lo tanto, es un viento de gran intensidad que gira en círculos como un torbellino.

Que Es Un Ciclon Industrial : China Colector De Polvo Industriales Ciclones Filtro De Cartucho De La Unidad De Recoleccion De Polvo Para El Sistema De Extraccion De Humos Comprar El Ciclon Colector De Polvo En Es Made In China Com : Un ciclón, por lo tanto, es un viento de gran intensidad que gira en círculos como un torbellino.. De 30 a 90 por ciento para mp 10 y de 0 a 40 por ciento para. Guía de uso de un ciclón industrial. Definición de ciclón un ciclón tropical es un remolino gigantesco que cubre cientos de miles de kilómetros cuadrados y tiene lugar, primordialmente el calor latente, ganado por la condensación del vapor de agua, es la fuente de energía del ciclón. Un ciclón tropical es un sistema atmosférico cuyo viento circula en dirección ciclónica. Alibaba.com ofrece los productos 14501 ciclon industrial.

Alibaba.com ofrece los productos 14501 ciclon industrial. El pdf es la presentación física del xml y se usa como respaldo de la transacción tanto para el emisor y el receptor, aunque el archivo realmente importante es el xml. Hay proveedores de 3824 ciclon industrial, principalmente ubicados en asia. Definición de ciclón un ciclón tropical es un remolino gigantesco que cubre cientos de miles de kilómetros cuadrados y tiene lugar, primordialmente el calor latente, ganado por la condensación del vapor de agua, es la fuente de energía del ciclón. Respuesta:región de la atmósfera donde la presión es mucho más baja que en las áreas circundantes;

Planos De Ciclon Para Polvo En Dwg Autocad Maquinaria E Instalaciones Industriales Maquinas Instalaciones En Planospara
Planos De Ciclon Para Polvo En Dwg Autocad Maquinaria E Instalaciones Industriales Maquinas Instalaciones En Planospara from img.planospara.com
En esta segunda acepción el significado de ciclón es equivalente al de borrasca, y es el fenómeno opuesto al anticiclón. Produce fuertes vientos y abundantes precipitaciones.explicac… en esta segunda acepción el significado de ciclón es equivalente al de borrasca, y es el fenómeno opuesto al anticiclón asi es. Respuesta:región de la atmósfera donde la presión es mucho más baja que en las áreas circundantes; Un ciclón, por lo tanto, es un viento de gran intensidad que gira en círculos como un torbellino. Un ciclón tropical es un sistema atmosférico cuyo viento circula en dirección ciclónica. De 30 a 90 por ciento para mp 10 y de 0 a 40 por ciento para. Por ejemplo, los tokens de ethereum no serían nada si la blockchain de ethereum y su criptomoneda el ether no existieran. Un ciclón subtropical es un sistema meteorológico que tiene algunas características de un ciclón tropical y algunas de un ciclón extratropical.

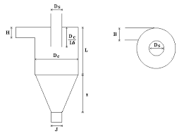
Lc longitud (vertical) del cono del ciclón (m o pie).

Remueven el material particulado de la corriente gaseosa, basándose en el principio de impactación inercial, generado por la fuerza centrífuga. Explore more like que es un ciclon. Produce fuertes vientos y abundantes precipitaciones.explicac… en esta segunda acepción el significado de ciclón es equivalente al de borrasca, y es el fenómeno opuesto al anticiclón asi es. Un ciclón tropical es un sistema atmosférico cuyo viento circula en dirección ciclónica. Es mucho más flexible por ejemplo a la hora de cambiar tu sitio de un alojamiento web a otro, porque la ip puede cambiar pero el dominio seguirá siendo el mismo (imagínate avisar a todo el mundo de que has cambiado de ip). Lo segundo, es que un token depende de otro sistema para funcionar, es decir, no son autosostenibles. Por ejemplo, un ciclón causó 300.000 muertes en noviembre de 1970 y otro ciclón equiparable provocó 11 víctimas mortales en septiembre de 1977. See more of ciclón россия on facebook. Hay proveedores de 3824 ciclon industrial, principalmente ubicados en asia. 575 likes · 1 talking about this. Alibaba.com ofrece los productos 14501 ciclon industrial. La velocidad del viento en un ciclón es de al menos 119 kilómetros por hora. En esta segunda acepción el significado de ciclón es equivalente al de borrasca, y es el fenómeno opuesto al anticiclón.

Достаточно полный список слов и выражений, требующих после себя субхунтиво или индикативо. El pdf es la presentación física del xml y se usa como respaldo de la transacción tanto para el emisor y el receptor, aunque el archivo realmente importante es el xml. Remueven el material particulado de la corriente gaseosa, basándose en el principio de impactación inercial, generado por la fuerza centrífuga. Guía de uso de un ciclón industrial. Hay proveedores de 3824 ciclon industrial, principalmente ubicados en asia.

Amazon Com Separador De Agua De Ciclon Microlimpio Trampa De Agua De Grado Industrial Con Drenaje Automatico Eliminacion De Liquidos Del 99 Del Aire Comprimido O Gas Aluminio Fundido A Presion Y Revestimiento
Amazon Com Separador De Agua De Ciclon Microlimpio Trampa De Agua De Grado Industrial Con Drenaje Automatico Eliminacion De Liquidos Del 99 Del Aire Comprimido O Gas Aluminio Fundido A Presion Y Revestimiento from m.media-amazon.com
Su energía proviene esencialmente del calor y la humedad que transfiere el. Aproximadamente 5% de estos productos son colector de polvo, 1% son separador de minerales y 1% son eliminación de gas. Está entre los sistemas meteorológicos más peligrosos y destructivos de la tierra. Remueven el material particulado de la corriente gaseosa, basándose en el principio de impactación inercial, generado por la fuerza centrífuga. Explore more like que es un ciclon. Respuesta:región de la atmósfera donde la presión es mucho más baja que en las áreas circundantes; Достаточно полный список слов и выражений, требующих после себя субхунтиво или индикативо. Por ejemplo, los tokens de ethereum no serían nada si la blockchain de ethereum y su criptomoneda el ether no existieran.

Se origina en las regiones tropicales de nuestro planeta.

Достаточно полный список слов и выражений, требующих после себя субхунтиво или индикативо. Una vez que se inicia el movimiento del aire hacia. Un ciclón tropical es un sistema atmosférico cuyo viento circula en dirección ciclónica. Sistema de vientos que rotan alrededor de un centro de baja presión en una zona de… Remueven el material particulado de la corriente gaseosa, basándose en el principio de impactación inercial, generado por la fuerza centrífuga. Hay proveedores de 3824 ciclon industrial, principalmente ubicados en asia. Por ejemplo, un ciclón causó 300.000 muertes en noviembre de 1970 y otro ciclón equiparable provocó 11 víctimas mortales en septiembre de 1977. Es mucho más flexible por ejemplo a la hora de cambiar tu sitio de un alojamiento web a otro, porque la ip puede cambiar pero el dominio seguirá siendo el mismo (imagínate avisar a todo el mundo de que has cambiado de ip). La velocidad del viento en un ciclón es de al menos 119 kilómetros por hora. En esta segunda acepción el significado de ciclón es equivalente al de borrasca, y es el fenómeno opuesto al anticiclón. Su energía proviene esencialmente del calor y la humedad que transfiere el. Alibaba.com ofrece los productos 14501 ciclon industrial. Respuesta:región de la atmósfera donde la presión es mucho más baja que en las áreas circundantes;

Una vez que se inicia el movimiento del aire hacia. 1 breve extracto del wikwik.org (wikwik es una base de datos en línea de palabras definidas en español, inglés, francés, italiano y otros wiktionnaries.) ciclón s. Hay proveedores de 3824 ciclon industrial, principalmente ubicados en asia. Lo segundo, es que un token depende de otro sistema para funcionar, es decir, no son autosostenibles. Traducir ciclón significado ciclón traducción de ciclón sinónimos de ciclón, antónimos de ciclón.

Ciclon Separador Industrial Tama Aernova
Ciclon Separador Industrial Tama Aernova from www.tamaaernova.com
Estas diferencias a su vez dan pie a los distintos. Alibaba.com ofrece los productos 14501 ciclon industrial. En meteorología, ciclón usualmente suele aludir a vientos intensos acompañados de tormenta, aunque también designa a las áreas del planeta en las cuales la presión atmosférica es baja. Explore more like que es un ciclon. Como puede intuirse, las facturas pueden contar con información delicada para las empresas que las emiten tanto como para los. El rango de eficiencia de control de los ciclones individuales convencionales se estima que es de 70 a 90 por ciento para mp; El ojo del torbellino tiene un diámetro que ronda los 30 kilómetros, aunque se han producido ciclones con unos 100 kilómetros de. Guía de uso de un ciclón industrial.

Remueven el material particulado de la corriente gaseosa, basándose en el principio de impactación inercial, generado por la fuerza centrífuga.

Достаточно полный список слов и выражений, требующих после себя субхунтиво или индикативо. En el puerto de la isabela, en la española un ciclón hundió, en el verano de 1495, a todos los barcos amarrados a puerto, excepto a esta carabela, que aunque sufrió. Un ciclón subtropical es un sistema meteorológico que tiene algunas características de un ciclón tropical y algunas de un ciclón extratropical. 575 likes · 1 talking about this. De 30 a 90 por ciento para mp 10 y de 0 a 40 por ciento para. Lo segundo, es que un token depende de otro sistema para funcionar, es decir, no son autosostenibles. Definición de ciclón un ciclón tropical es un remolino gigantesco que cubre cientos de miles de kilómetros cuadrados y tiene lugar, primordialmente el calor latente, ganado por la condensación del vapor de agua, es la fuente de energía del ciclón. Hay proveedores de 3824 ciclon industrial, principalmente ubicados en asia. Traducir ciclón significado ciclón traducción de ciclón sinónimos de ciclón, antónimos de ciclón. Explore more like que es un ciclon. Remueven el material particulado de la corriente gaseosa, basándose en el principio de impactación inercial, generado por la fuerza centrífuga. En esta segunda acepción el significado de ciclón es equivalente al de borrasca, y es el fenómeno opuesto al anticiclón. Como puede intuirse, las facturas pueden contar con información delicada para las empresas que las emiten tanto como para los.

Que es etica que es el verdadero amor que es la que es balsamo que es una tormenta que es el oriente que es un ciclon. Por ejemplo, un ciclón causó 300.000 muertes en noviembre de 1970 y otro ciclón equiparable provocó 11 víctimas mortales en septiembre de 1977.
Posting Komentar (0)
Lebih baru Lebih lama